Description
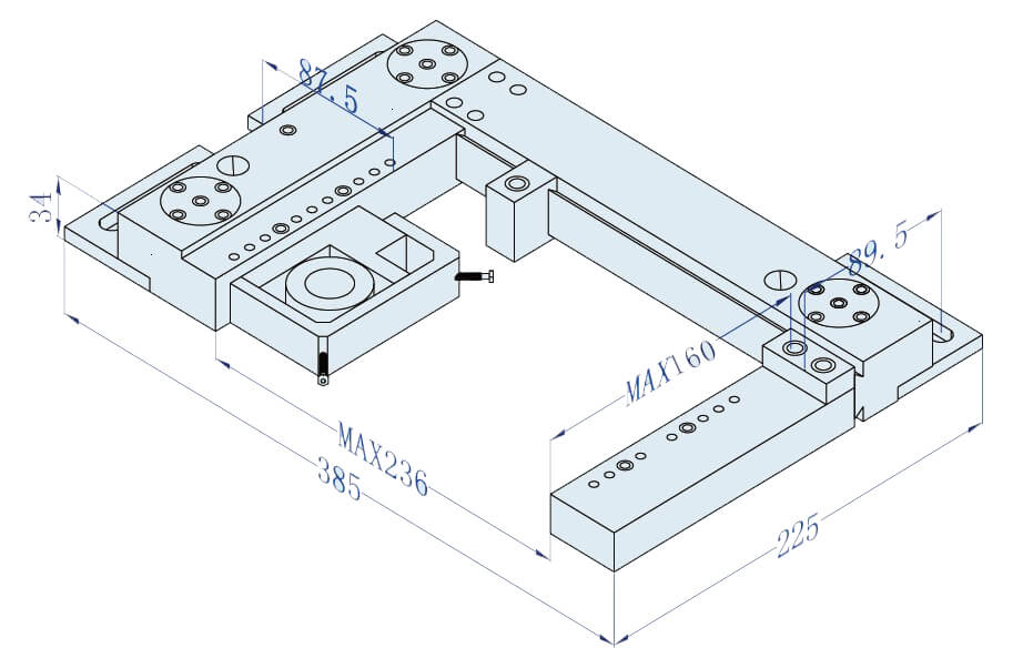
Adjustable base workholding vise for WEDM machine HE-V06618


specifications: can be clamping accurately and
suitable for square and long parts on wire cut EDM machine.
Advantage:
Various works can be efficiently set by
combining special accessories such as V
block for large/small round work, L-type
block for wide flat-plate work,and jaw, for
thin work
Application: Mount On Wire cut EDM machine







Reviews
There are no reviews yet.